Ventilátory Mycond MVS***-DW s rekuperací energie jsou vybaveny bezkartáčovými stejnosměrnými motory s vyšší účinností, jejichž spotřeba energie se snižuje až o 70 %, což vede k výrazným úsporám energie.



Jednotka přivádí do místnosti čerstvý vzduch,
a zároveň odvádí znehodnocený vzduch z místnosti ven,
, takže si můžete užívat pohodlí přirozeného prostředí.
Během větrání získává vestavěný vysoce účinný
výměník tepla zpět více než 70 % energie z
odváděného vzduchu a využívá ji k ohřevu přiváděného čerstvého vzduchu.


Jednotka má stylový vzhled s elegantně tvarovaným tělem
. Jakýkoli provozní hluk je dokonale utlumen díky
mikroperforované anechoické struktuře s
vynikajícími aerodynamickými vlastnostmi.
Dobře navržené vzduchové filtry uvnitř jednotky účinně
odstraňují veškeré škodliviny z nasávaného vzduchu
a poskytují vám tak čerstvý a čistý vzduch.


Funkce by-pass umožňuje při vhodných klimatických podmínkách přirozené větrání
, které
může prodloužit životnost výměníku tepla
. Tento režim také umožňuje využít režim volného chlazení na jaře/podzim a rozmrazování výměníku tepla
v zimě.
Výměník tepla je připojen pomocí tvarované lišty a utěsněn speciálními měkkými a hustými těsněními. Díky tomu je ručně odnímatelný a snadno se udržuje, přičemž je zcela oddělen proud čerstvého a odpadního vzduchu, aby nedocházelo ke křížovému znečištění.




* K dispozici jako volitelné příslušenství
Vyšší účinnost s entalpickým výměníkem 3. generace
Entalpický výměník 3. generace je vyroben z nejnovější struktury nanovláken, která zajišťuje vyšší účinnost. Materiály pro výměnu tepla jsou odolné proti plísním a nehořlavé. V tomto RV je zabudován křížový entalpický výměník, účinnost rekuperace tepla až 82 % v zimě, přípustná výměna vlhkosti mezi čerstvým a odváděným vzduchem zajišťuje příjemnou teplotu a vlhkost v interiéru.

V létě systém rekuperace tepla šetří elektrickou energii na klimatizaci tím, že vrací část venkovního tepla zpět ven.

V zimě se část vnitřního tepla vrací zpět do místnosti, což přináší značné úspory na vytápění prostor a vzduchu.

Údaje jsou uvedeny pro informaci. Hodně záleží na vnitřní vlhkosti vzduchu, venkovní vlhkosti, tepelné izolaci místnosti, tepelné izolaci a délce vzduchovodů atd.
| Technické údaje | Jednotky | MVS400-DW | MVS500-DW | MVS700-DW | MVS900-DW | MVS1100-DW | MVS1400-DW | MVS1600-DW | MVS2200-DW | MVS2800-DW |
| Průtok vzduchu | m3/h | 300 | 400 | 600 | 800 | 1000 | 1300 | 1500 | 2000 | 2600 |
| Vnější tlak | Pa | 85 | 88 | 97 | 100 | 86 | 90 | 72 | 77 | 81 |
| Entalpická účinnost, chlazení | % | 57-70 | 57-70 | 59-74 | 55-66 | 58-70 | 56-68 | 63-71 | 60-68 | 56-68 |
| Entalpická účinnost, vytápění | % | 61-72 | 60-74 | 61-78 | 57-76 | 62-75 | 59-70 | 65-73 | 62-72 | 59-70 |
| Účinnost přenosu tepla | % | 68-82 | 69-83 | 70-83 | 68-83 | 70-83 | 70-83 | 76-80 | 76-82 | 70-83 |
| Úroveň hluku | dB(A) | 34.5 | 37.5 | 39 | 41 | 42 | 43 | 50 | 51.5 | 53 |
| Napětí | 220-240 V / 1 fáze / 50 Hz | |||||||||
| Vstupní výkon | W | 80 | 116 | 162 | 290 | 327 | 424 | 700 | 724 | 848 |
| Napájecí kabel | mm2 | 3×1.5 | 3×1.5 | 3x1.5 | 3x1.5 | 3x1.5 | 3x1.5 | 3x1.5 | 3x1.5 | 3x1.5 |
| Ovládací kabel | mm2 | 2×0.5 | 2×0.5 | 2x0.5 | 2x0.5 | 2x0.5 | 2x0.5 | 2x0.5 | 2x0.5 | 2x0.5 |
| Kontrolní, standardní | Ano (7denní hodiny) | |||||||||
| Řízení (BMS), Modbus | Ano | |||||||||
| Typ ventilátoru | Motor ventilátoru BLDC | |||||||||
| Otáčky ventilátoru (přiváděný vzduch) | regulace ventilátoru s 10 rychlostmi | |||||||||
| Rychlost ventilátoru (odváděný vzduch) | 10rychlostní ovládání ventilátoru | |||||||||
| Bypass | Ano (automaticky v nastavitelném rozsahu) | |||||||||
| Odmrazování | Ano (automaticky v nastavitelném rozsahu) | |||||||||
| RegulaceCO2 | Přídavné čidlo (regulace zapnutí/vypnutí v nastavitelném rozsahu) | |||||||||
| Výstupní kontakty poruchového alarmu | Ano | Ano | Ano | Ano | Ano | Ano | Ano | Ano | Ano | |
| Vypnutí při požáru | Ano | Ano | Ano | Ano | Ano | Ano | Ano | Ano | Ano | |
| Hmotnost | kg | 25 | 31 | 34 | 53 | 61 | 71 | 106 | 122 | 142 |
| Rozměry: DxŠxV | mm | 744×599×270 | 744×599×270 | 867×902×280 | 1134×884×388 | 1134×1134×388 | 1193×1243×388 | 1134×884×776 | 1134×1134×776 | 1193×1243×776 |
| Průměr připojovacího kanálu | mm | 150 | 150 | 200 | 250 | 250 | 250 | 650×280 | 650×280 | 650×280 |
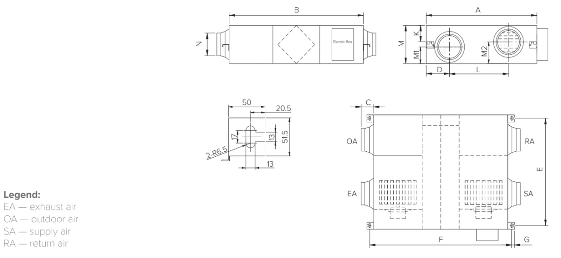
Rozměry
Větrací jednotky MVS400-DW - MVS500-DW
| Model | A | B | C | E | F | G | I | K | M | N |
| MVS400-DW | 599 | 744 | 100 | 675 | 657 | 19 | 315 | 111 | 270 | Ø144 |
| MVS500-DW | 804 | 744 | 100 | 675 | 862 | 19 | 480 | 111 | 270 | Ø144 |

Rozměry
Větrací jednotky MVS700-DW - MVS1100-DW
| Model | A | B | C | D | E | F | G | L | K | M | M1 | N |
| MVS700-DW | 902 | 867 | 107 | 197 | 833.5 | 922 | 20.5 | 451.5 | 115.5 | 280 | 139.5 | Ø194 |
| MVS900-DW | 884 | 1134 | 85 | 202 | 818 | 1189 | 20.5 | 378 | 128 | 388 | 194 | Ø242 |
| MVS1100-DW | 1134 | 1134 | 85 | 202 | 1068 | 1189 | 20.5 | 628 | 128 | 388 | 194 | Ø242 |
Všechny rozměry jsou uvedeny v milimetrech.

Rozměry
Ventilační jednotka MVS1400-DW
| Model | A | B | C | D | E | F | G | L | K | M | M1 | M2 | N |
| MVS1400-DW | 1243 | 1193 | 85 | 241 | 1172.5 | 1248 | 20.5 | 629.5 | 133 | 388 | 191 | 241 | Ø242 |
Všechny rozměry jsou uvedeny v milimetrech.

Rozměry
Větrací jednotky MVS1600-DW - MVS2800-DW
| Model | A | B | C | D | E | F | G | H | L |
| MVS1600-DW | 1434 | 1134 | 1189 | 884 | 818 | 378 | 776 | 650 | 280 |
| MVS2200-DW | 1434 | 1134 | 1189 | 1134 | 1068 | 628 | 776 | 650 | 280 |
| MVS2800-DW | 1493 | 1193 | 1248 | 1243 | 1173 | 629.5 | 776 | 650 | 280 |
Všechny míry jsou uvedeny v milimetrech.

Parametry výkonu

Parametry výkonnosti

Parametry výkonnosti

Parametry výkonnosti

Parametry výkonnosti
